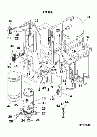
FDCA335HKXE4BR PIPING

FDCA335HKXE4BR PIPING

Parts List

Key:
Instock.
Nilstock.
Contact MRE.

Check the parts position number [ ] matching with the drawing. Login to view prices.

[1] In Stock
SSA382C086
VALVE,S(4WAY)
Notes: 20S
[2] In Stock
SSA327B067
VALVE,SERVICE
SSA327B067
[3] Out of Stock
SSA327B067A
VALVE,SERVI
[4] Out of Stock
PCB116A479
BRACKET
[5] In Stock
SSA381A748A
VALVE,SERVICE
Notes: GAS Show Image
SSA381A748A
[6] In Stock
PCB381A080
VALVE SERVI
Notes: LIQ., LIQ Show Image
PCB381A080
[7] In Stock
SSA357A007A
STRAINER
SSA357A007A
[8] In Stock
SSA551D022C
SENSOR LP
Notes: LOW PRESSURE TRANSDUCER Show Image
SSA551D022C
[9] In Stock
SSA551D024A
SENSOR HP
Notes: HIGH PRESSURE TRANSDUCER, HIGH PRESSURE TRANSDUCER - PSH Show Image
SSA551D024A
[10] Contact
PCA325A011C
PIPE,SHELL
Contact
[10-12] Contact
PCB354A045A
OIL SEPARATOR
Contact
[10-17] Contact
PCB354A044A
SEPARATOR ASSY,OIL
Contact
[11] In Stock
SSA385A018A
VALVE CHECK
[12] Contact
SSA325A001CG
PIPE,SHELL
Contact
[13] In Stock
SSA382A219
VALVE(2WAY)
Notes: SV, LENGTH 7.5CM Show Image
SSA382A219
[13-16] In Stock
PCB321F687
PIPE ASSY
[14] Contact
PCB315B831
CAPILLARY
Contact
Notes: !D2.2XD3.2 L340
[15] Contact
PCB315B801A
CAPILLARY
Contact
Notes: !D1.1XD3.2 L500
[16] In Stock
SSA357A008BW
STRAINER
[17] In Stock
SSA532A085GR
SWICH HP
Notes: 63H1-1,2 Show Image
SSA532A085GR
[18] In Stock
AGT201A727DP
COMPRESSOR
Notes: GTC5150ND75K, ***COMPRESSORS CANNOT BE RETURNED***
[19] In Stock
SSA352A121P
RECEIVER
Notes: LIQUID RECIEVER
[20] In Stock
SSA357A024
STRAINER
SSA357A024
[21] In Stock
SSA382A249A
VALVE,S(2WAY)
Notes: SV, SV1 Show Image
SSA382A249A
[21-22] Contact
PCB382A195B
VALVE ASSY(2WAY)
Contact
[22] Contact
PCB315B817
CAPILLARY
Contact
Notes: !D1.6XD3.2 L500, !D1.3XD3.2 L500
[23] In Stock
PCB315B303D
CAPILLARY
Notes: !D2.2XD3.2 L300 Show Image
PCB315B303D
[24] In Stock
PCA541B031
HEATER ASSY(CRANK)
PCA541B031
[25] In Stock
SSA941C356
CUSHION,RUBBER
Notes: 1pc only Show Image
SSA941C356
[26] In Stock
SSA914C033
NUT
Notes: 1pc
[27] In Stock
SSA915H042
WASHER
Notes: 1pc ONLY Show Image
SSA915H042
[28] In Stock
SSA914C016
NUT
Notes: 1pc Show Image
SSA914C016
[29] Out of Stock
AGR947K002
TERMINAL C
[30] Out of Stock
AGR932C001
GASKET
Substitute: OUT OF PRODUCTION
[31] In Stock
SSA351A228A
ACCUMULATOR
[32] In Stock
PCB303A011
HEAT LIQ
[33] In Stock
SSA357A024C
STRAINER
SSA357A024C
[34] In Stock
SSA387F051
VALVE,BODY(EXP)
Notes: EEV, 'BODY' ONLY. Does NOT include coil
[35] Contact
PCB151D088
INSULATION
Contact
[36] In Stock
PCA151D034
INSULATO CO
[37] Contact
PCB151D098
INSULATION
Contact
[38] In Stock
SSA382F210Z
COIL,SOLENOID
Notes: FOR EEVSC, LENGTH 206CM Show Image
SSA382F210Z
[39] In Stock
PCB382F092T
COIL ASSY,SOLENOID
Notes: FOR 20S, FOR 20S/ LENGTH 147.5CM Show Image
PCB382F092T
[40] Contact
PCB382F110A
COIL ASSY,SOLENOID
Contact
Notes: FOR SV6
[41] Contact
PCB382F110
COIL ASSY,SOLENOID
Contact
Notes: FOR SV1
[42] Out of Stock
PCB504A231DG
HARNESS ASSY
Notes: !U Show Image
PCB504A231DG
[43] Out of Stock
PCB504A231DH
HARNESS ASSY
Notes: !V Show Image
PCB504A231DH
[44] In Stock
PCB504A231DJ
HARNESS ASSY
Notes: !W Show Image
PCB504A231DJ
SKU: FDCA335HKXE4BR PIPING Category:
0
    0
    Your Cart
    Your cart is empty
      Calculate Shipping