FDCA160VSA-W/1 CONTROL AND PARTS SET

FDCA160VSA-W/1 CONTROL AND PARTS SET

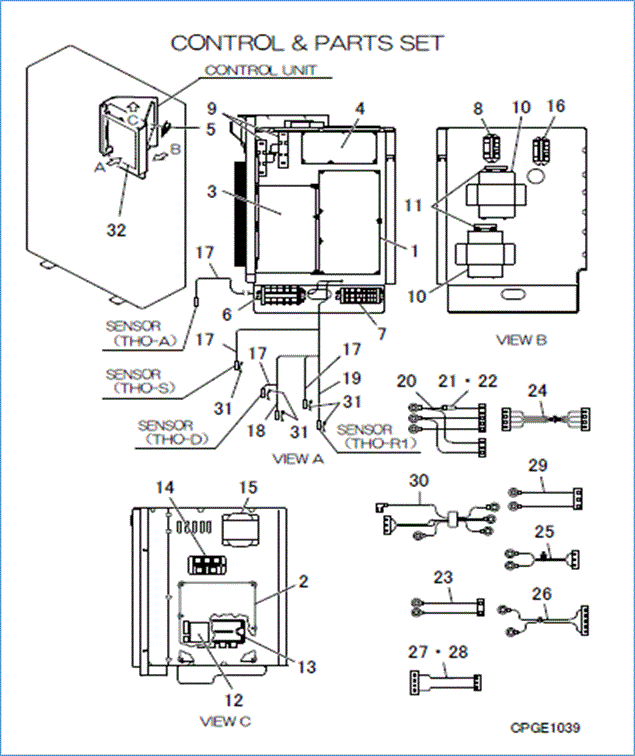
Parts List

Key:
Instock.
Nilstock.
Contact MRE.

Check the parts position number [ ] matching with the drawing. Login to view prices.

[1] In Stock
PCA505A377GK
PWB ASSY (CONTROL)
Notes: ONLY FOR SUPPLY PARTS PWB1
[1-30] Contact
PCB501A314C
CONTROL UNIT
Contact
Notes: ?, NOT AVAILABLE
[2] In Stock
PCB505A196HB
PWB ASSY (INVERTER)
Notes: ONLY FOR SUPPLY PARTS PWB2, DOES NOT INCLUDE TRANSISTOR (SITS BEHIND INVERTER)
[3] In Stock
PCB505A201BC
PWB ASSY(NOISE.FILTER)
Notes: ONLY FOR SUPPLY PARTS PWB3, NOISE FILTER
[4] In Stock
PCB505A194C
PWB ASSY (CONV.)
Notes: ONLY FOR SUPPLY PARTS PWB4, PWB4 POWER PCB
[5] In Stock
PCA505A180
PWB, DRED
Notes: ONLY FOR SUPPLY PARTS PWB5, SSA511T265 Show Image
PCA505A180
[6] In Stock
SSA561B693L
BLOCK,TERMINAL
Notes: TB1
[7] In Stock
SSA561B711A
BLOCK,TERMI
Notes: TB2 Show Image
SSA561B711A
[8] In Stock
SSA521A727
RELAY
Notes: 52X1, 52X1/ LENGTH 7CM Show Image
SSA521A727
[9] In Stock
SSA553A379
RESISTOR
Notes: R1,2, SOLD INDIVIDUALLY - 15 Ohm Show Image
SSA553A379
[10] In Stock
SSA552F427AJ
CAPACITOR
Notes: C1,2, C1 400V 3900MF
[11] In Stock
SSA553A380
RESISTOR
Notes: R3,4, SOLD INDIVIDUALLY - 30 kO (kilo-Ohm)/ LENGTH 4.7CM Show Image
SSA553A380
[12] In Stock
SSA552F694
CAPACITOR
Notes: 1250v 2.2uf. ***SOLD INDIVIDUALLY***
[13] In Stock
PCB008A213C
TRANSISTOR(POWER)
Notes: ONLY FOR SUPPLY PARTS TM, IPM, Comes with heat paste and screws Show Image
PCB008A213C
[14] In Stock
PCB008A212A
DIODE(MODULE)
Notes: ONLY FOR SUPPLY PARTS DM Show Image
PCB008A212A
[15] In Stock
SSA554B097A
REACTOR
Notes: L1 Show Image
SSA554B097A
[16] In Stock
SSA521A715A
RELAY
Notes: 52X2, 52X1,52X2 - 200-240VAC ***SOLD INDIVIDUALLY***
[17] In Stock
PSA551A014Z
SENSOR ASSY
Notes: THO-A,S,D,R1, THO-A,S,D,R1 - / LENGTH 193CM Show Image
PSA551A014Z
[18] In Stock
PSA551A014AA
SENSOR
Notes: THO-H, THO-H / LENGTH 133CM (compressor dome) Show Image
PSA551A014AA
[19] In Stock
PSA551A014T
SENSOR
Notes: THO-R2 Show Image
PSA551A014T
[20-22] In Stock
PCB504A384
WIRING ASSY
Notes: PWB3 L1o,PWB3 No,PWB3 L2o- PWB1 CNW,PWB4 CNW1, COMES WITH 5A FUSE. PWB3 L1o,PWB3 No,PWB3 L2o- PWB1 CNW,PWB4 CNW1 Show Image
PCB504A384
[21] In Stock
SSA564A149AH
FUSE(CURRENT)
Notes: F 5A Show Image
SSA564A149AH
[22] In Stock
RWC564B002
HOLDER,FUSE
RWC564B002
[23] In Stock
PCB504A384G
WIRING ASSY
Notes: PWB1 CNM- 52X2 5,52X2 6, PWB1 CNM- 52X2 5,52X2 6. 2 BLACK WIRES, ONE SIDE IS PLUG, OTHER SIDE IS 2 LUGS. NEAR THE LUGS ARE WRITTEN ON THE WIRES "2-5" AND THE OTHER "2-6" Show Image
PCB504A384G
[24] In Stock
PCB504A357D
WIRING ASSY
Notes: PWB1 CNI1- PWB2 CNI2
[25] In Stock
PCB504A384AA
WIRING ASSY
Notes: 52X1 5,52X1 6- PWB2 CNR Show Image
PCB504A384AA
[26] In Stock
PCB504A357M
WIRING ASSY
Notes: IPM P,IPM N- PWB2 CAN Show Image
PCB504A357M
[27] In Stock
PCB504A382A
WIRING ASSY
Notes: PWB1 CNA2- PWB4 CNA3, PWB1 CNA2- PWB4 CNA3/ LENGTH 21.5CM Show Image
PCB504A382A
[28] In Stock
PCB504A382B
WIRING ASSY
Notes: PWB1 CNA1- PWB4 CNA4, PWB1 CNA1- PWB4 CNA4/ LENGTH 23.5CM Show Image
PCB504A382B
[29] In Stock
PCB504A384T
WIRING ASSY
Notes: PWB3 No,E- PWB3 CN1, PWB3 No,E- PWB3 CN/ LENGTH 29.5CM Show Image
PCB504A384T
[30] Contact
PCB504A407
WIRING ASSY
Contact
Notes: PWB3 T12,PWB1 CNW2,TB1 N- TB2 3,TB2 2,TB2 1
[31] In Stock
PSA941F001
SPRING LEAF
Notes: FOR THO-R1,R2,D,S,H, 1pc ONLY Show Image
PSA941F001
[32] Contact
PSC011G593B
LABEL,WIRING
Contact
Notes: ?
[33] Out of Stock
PSB011F362H
LABEL,MODEL NAME
Notes: ?
SKU: FDCA160VSA-W/1 CONTROL AND PARTS SET Category:
0
    0
    Your Cart
    Your cart is empty
      Calculate Shipping